

南方臥式離心泵CHL20-20LSWSC 不銹鋼輕型臥式多級離心水泵增壓泵
南方CHL,CHLK,CHLF(T)輕型臥式多級離心泵
應用領域:
工業清洗、供水和增壓、空調系統、冷卻系統、水處理
材質:
不銹鋼
產品說明:
南方CHL,CHLK,CHLF(T)非自吸輕型臥式多級離心泵,葉輪導葉采用不銹鋼板沖壓焊接制成,配加長軸電機,軸向入口和徑向出口。
性能及優點:
結構緊湊、低噪音、適用于輕度腐蝕性液體、安裝空間小
技術參數:
流量:0.5m3/h~32m3/h
揚程:5m~88m
功率:0.37kW~7.5kW
液體溫度:-15℃~+110℃
頻率:50Hz/60Hz
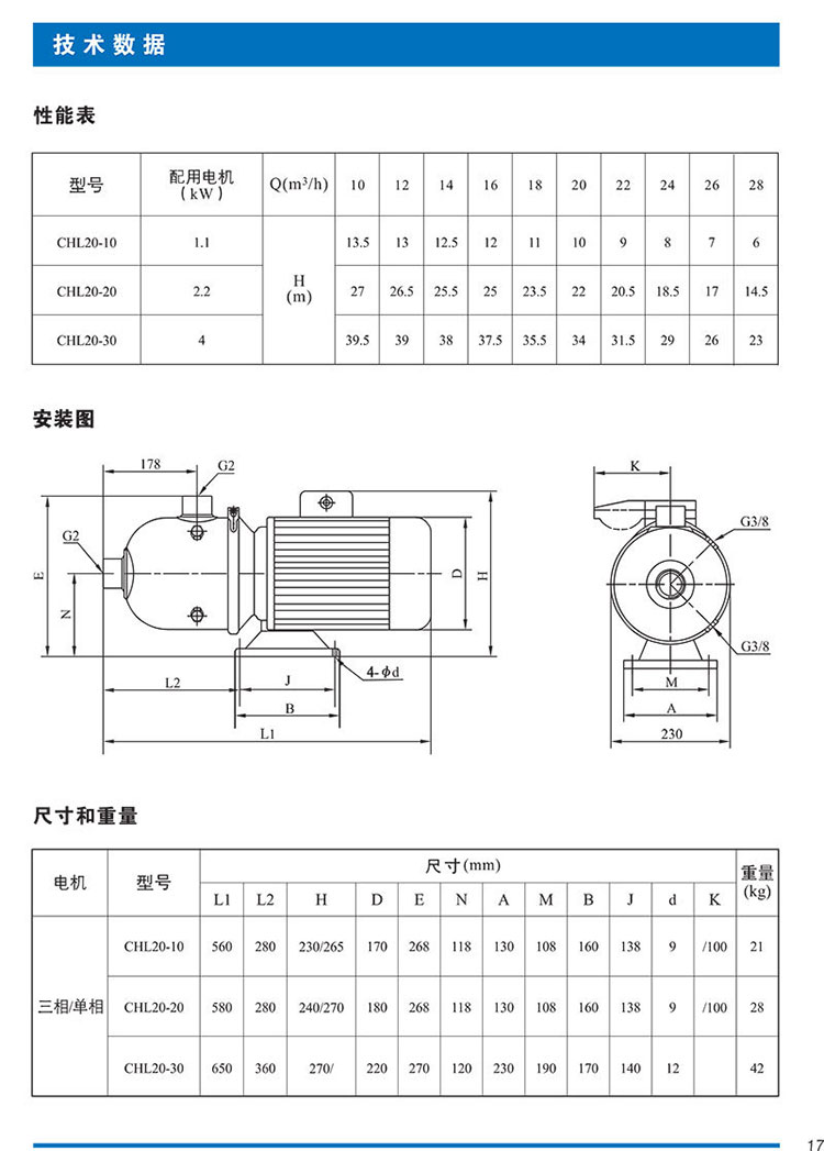
南方離心泵CHL20系列型號參數如下:
流量:20m3/h 效率:64%
轉速:2900 rpm 葉輪外徑:106mm
進口口徑:G2 出口口徑:G2
介質溫度:常溫型-15℃~+70℃
熱水型-15℃~+120℃
型號 | 揚程 | 功率 | 級數 | 電機功率 | 重量 |
(m) | (kw) | (kW) | (kg) | ||
CHL20-10 | 10 | 0.85 | 1 | 1.1 | 21 |
CHL20-20 | 22 | 1.87 | 2 | 2.2 | 28 |
CHL20-30 | 34 | 2.9 | 3 | 4 | 42 |






